什么是同步帶輪?同步帶輪/同步輪傳動特點
同步帶輪又稱同步輪,一般由鋼,鋁合金,鑄鐵,黃銅,等材料制造。內孔有圓孔,D形孔,錐形孔等形式。表面處理有本色氧化,發黑,鍍鋅,鍍彩鋅,高頻淬火等處理。精度等級依客戶要求而定。
1、生產的同步帶輪既為國產化設備的同步帶配套,又能代替進口同步帶輪使用。
2、用戶定制同步帶輪,請提供帶輪圖紙(圖中可不必繪制帶輪的齒形尺寸),可按用戶提供的規格型號、帶輪內孔、鍵槽、寬度等尺寸為用戶繪制帶輪圖紙。
3、同步帶輪完全可以按照用戶需求加工,同樣我廠也可以為用戶制定圖紙。
同步帶輪/同步輪傳動特點
1)傳動準確,工作時無滑動,具有恒定的傳動比;
2)傳動平穩,具有緩沖、減振能力,噪聲低;
3)傳動效率高,可達0.98,節能效果明顯;
4)維護保養方便,不需潤滑,維護費用低;
5)速比范圍大,一般可達10,線速度可達50m/s,具有較大的功率傳遞范圍,可達幾瓦到幾百千瓦;
6)可用于長距離傳動,中心距可達10m以上。
7) 無污染,可在不允許有污染和工作環境較為惡劣的場所下正常工作
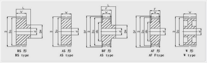
同步帶輪基本結構圖
備注:A--表示同步帶輪不帶臺階 B--表示同步帶輪帶臺階 W--表示同步帶輪兩端有掏空孔(減重量結構) F--表示同步帶輪帶檔片 S--表示同步帶輪不帶檔片
同步帶輪外徑及節圓外徑示意圖
備注:Pb=同步輪節圓或同步帶節線上測得相鄰兩齒的距離。 d=同步輪的節圓直徑。 do=同步輪實際外圓直徑。
同步帶輪表示方法
iHF齒輪21年只做一件事精密齒輪制造—同步帶輪—同步帶,生產廠家標準件大量庫存當天發貨價格優質保障,集研發.生產.服務一體化,版權所有:http://www.infinitespace.com.cn轉載請注明出處
- 讓同步帶輪不會發熱的知識點,您要了解嗎?
- 附近的齒輪加工廠電話 189-2935-7195
- 同步帶輪htd型(圓弧形齒)選型圖
- 使用同步帶輪傳動的特點
- 現代數控機床采用同步帶輪傳動如何控制機床的噪音?
- 用戶最好是購買知名廠家制造的材質質量好尺寸精準的同步帶輪
- 同步帶輪的使用壽命由哪些方面影響的呢
- 對于同步帶輪的成本應該如何控制
- 同步帶輪也需要維護
- 同步帶輪:將力量分散處理
聯系iHF齒輪
18929357195
售后電話:0755-27746221
客服QQ:2850623673
郵箱:2850623673@qq.com
地址:深圳市龍華新區大浪創藝路16號安宏基工業園C棟


