多楔帶輪傳動比計算
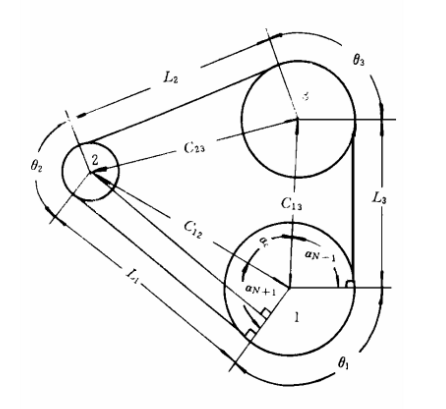
多楔帶的帶長和包角是輪系設計計算中的兩個最基本的參數,多楔帶傳動經常是一帶傳動多個多楔輪,而且會包括背部傳動。所以多楔帶的帶長計算會是非常的復雜。在設計時候,附件輪的位置和直徑會經常改變,所以我們如果要獲得最佳的結果和特定的帶長,就必須要根據附件的位置來進行反的核算。因此,多楔帶的帶長和包角的計算成就就顯得非常的碧瑤和實用了。
而需要多楔帶的帶長和包角,多楔輪的傳動比的計算就非常的重要了。在下圖中我們可以看出,多楔輪和多楔帶的相對位置有兩種情況,即是多楔輪在多謝帶的內側或者是在多楔帶的外側。
多楔輪的傳動比計算公式如下:
Ln=√ ̄【Cn²×N+1-(Dn-Dn+1)²÷2】
其中Cn為各個多楔輪的中心距,Dn為各個多楔輪的直徑
iHF齒輪21年只做一件事精密齒輪制造—同步帶輪—同步帶,生產廠家標準件大量庫存當天發貨價格優質保障,集研發.生產.服務一體化,版權所有:http://www.infinitespace.com.cn轉載請注明出處
- 同步帶輪在設計時需要涉及到哪些方面
- 多楔帶輪傳動比計算
- 同步帶輪的規格怎么計算
- 同步帶輪的正確計算公式?
- 同步帶輪的設計和節圓直徑的計算方式
- 同步帶輪的節圓直徑如何計算公式
- 同步帶傳動計算
- 同步帶輪選型計算公式
- 同步帶輪齒數計算公式
- ·同步皮帶輪HTD5M理論尺寸表產品描述-
聯系iHF齒輪
18929357195
售后電話:0755-27746221
客服QQ:2850623673
郵箱:2850623673@qq.com
地址:深圳市龍華新區大浪創藝路16號安宏基工業園C棟


